Насосы России и Болгарии, электродвигатели - Росгидромаш
Росгидромаш
Насосы России и Болгарии, электродвигатели - Росгидромаш

18МТР32.3

версия для печати

модель насоса 18МТР32.3


ТЕХНИЧЕСКИЕ ПАРАМЕТРЫ

n=2900 min-1
Тип насоса Q
l/s
H
m
η
%
NPSH
m
P
kW
D2
mm
18МТР32.31310865330175
17,596724
2275676


ХАРАКТЕРИСТИКИ НАСОСА

характеристики насоса

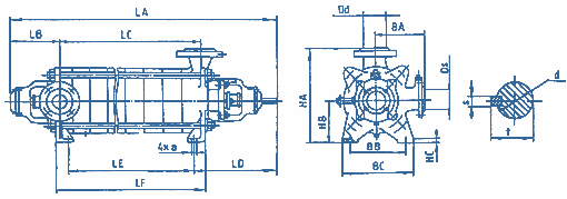
ГАБАРИТНЫЕ И ПРИСОЕДИНИТЕЛЬНЫЕ РАЗМЕРЫ НАСОСА

LALBLCLDLELFaBABBВСHAHBHCdstDsDdМасса

915

244

346

356

293

403

22

220

300

350

400

180

23

35

10

38

100

100

168


ГАБАРИТНЫЙ ЧЕРТЕЖ НАСОСА


габаритные и присоединительные размеры

ГАБАРИТНЫЕ И ПРИСОЕДИНИТЕЛЬНЫЕ РАЗМЕРЫ НАСОСНОГО АГРЕГАТА

nР kWLALBLCLDLELFaBABBВСHAHBHCмасса, кг

3000

30

1677

244

346

325

1286

---

18

220

380

410

706

396

616

512


ГАБАРИТНЫЙ ЧЕРТЕЖ НАСОСНОГО АГРЕГАТА

габаритные и присоединительные размеры

ООО ТД Випом
(+7 486 2) 44-28-71,    +7 (499) 143-89-68    rgm@rgm1.ru

Центробежные насосы  |  Многосекционные насосы |  Фекальные насосы |  Погружные насосы |  Шестеренные насосы |  Центробежно-вихревые насосы |  Конденсатные насосы |  Консольные насосы |  Консольные моноблочные насосы |  Вихревые насосы |  Одновинтовые насосы |  Двухвинтовые насосы |  Трехвинтовые насосы |  Питательные насосы |  Сетевые насосы |  Песковые насосы |  Электродвигатели: |  закрытого исполнения |  защищенного исполнения |  взрывозащищенного исполнения ВА, ВРА |  взрывозащищенного исполнения ВАО2 |  высоковольтные электродвигатели А |  высоковольтные электродвигатели ДАЗО |